消防車廠家湖北新東日來說說泡沫消防車的消防炮配置
21-11-01 ? 來源:湖北新東日專用汽車有限公司
前面新東日專汽為大家詳細的介紹了水罐消防車的消防炮圖解,那么泡沫消防車作為水罐消防車的補充車型,其滅火效果比水罐消防車滅火效果更廣,那么泡沫消防車上配置的泡沫炮是怎么配置的呢?
下面新東日專汽再來為大家介紹泡沫消防車的消防炮分類和詳細圖解和泡沫消防車消防炮的分類:
泡沫消防車一般配置兩用消防車,用字母PL代表,兩用炮是按照口徑的大小來分類,一般有以下幾類:PL24、PL32、PL48**常用的幾種。
泡沫消防車兩用炮的圖解:
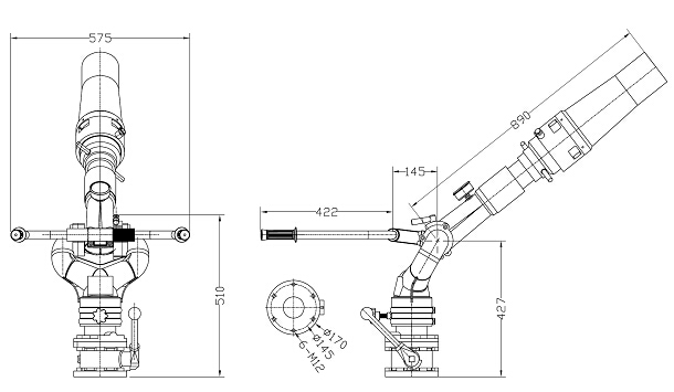
PL24兩用炮詳細圖解

PL24兩用炮詳細圖解

PL24兩用炮詳細圖解
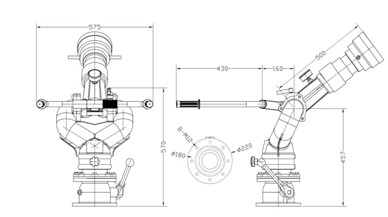
PL32消防兩用炮詳細圖解

PL32消防兩用炮圖解

PL32消防兩用炮圖解
PL48消防兩用炮圖解

PL48消防兩用炮圖解

PL48消防兩用炮圖解
